
国家标准委 农业农村部 生态环境部关于推进畜禽粪污资源化利用标准体系建设的指导意见
各省、自治区、直辖市和新疆生产建设兵团市场监管局(厅、委),农业农村(农牧)、畜牧兽医厅(局、委),生态环境厅(局):
为贯彻落实《国家标准化发展纲要》《“十四五”推进农业农村现代化规划》有关部署,推动重点标准研制,强化标准实施应用,加快畜禽粪污资源化利用,防治畜禽养殖污染,提升畜牧业绿色发展水平,现就推进畜禽粪污资源化利用标准体系建设,提出如下指导意见。
一、总体要求
(一)指导思想
以习近平新时代中国特色社会主义思想为指导,深入贯彻党的二十大和中央农村工作会议精神,按照习近平总书记关于加快推进畜禽养殖废弃物处理和资源化的重要指示要求,推动建立系统完备、结构合理、衔接配套、科学严谨的畜禽粪污资源化利用标准体系,充分发挥标准的基础性引领性作用,提升畜禽粪污资源化利用标准化、规范化、科学化水平,推动畜牧业绿色低碳循环发展和科技创新,为全面实施乡村振兴战略、加快建设农业强国、建设宜居宜业和美乡村提供有力支撑。(二)基本原则强化顶层设计。健全畜禽粪污资源化利用标准体系建设系统谋划、分工明确、协同推进的工作机制,调动各部门、各地区、各主体积极性,统筹做好相关标准制修订规划,分年度分重点推进标准体系建设工作。注重协调统一。立足加快建设农业强国的总体要求,促进畜禽粪肥还田、沼气和生物天然气利用、畜禽养殖污染防治、环境监督评价等各方面标准有效对接,推动温室气体管控等标准与国际接轨,增强标准体系的协调性和统一性。坚持守正创新。传承我国农耕文明种养结合思想精华,借鉴发达国家畜禽粪污资源化利用经验,面向解决畜禽粪污资源化利用突出问题,综合考虑现阶段种养业发展现状,优先制修订并推动实施一批对生产发展和污染防治有重要指导意义的标准。突出由治转用。以推动畜禽粪肥就地就近还田利用为重点,加紧编制、完善有关急需标准,规范畜禽粪污资源化处理和安全利用,着力打通畜禽粪肥还田“最后一公里”,推动畜禽粪污由“治”向“用”转变。(三)发展目标到2030年,以就地就近用于农村能源和农用有机肥为主要使用方向、以减污降碳协同增效保安全为重点,推动制修订国家标准、行业标准100项左右,出台一批地方标准、团体标准和企业标准,政府颁布标准和市场自主制定标准协调配套的畜禽粪污资源化利用标准体系进一步完善。公益性和市场化相结合的标准化推广服务体系基本形成,标准化助力土壤地力改善、化肥减量、畜禽养殖污染和农业面源污染治理,畜禽粪污资源化利用对减排、固碳、肥地、增效的综合作用得到充分发挥。二、重点任务(一)建立健全标准体系
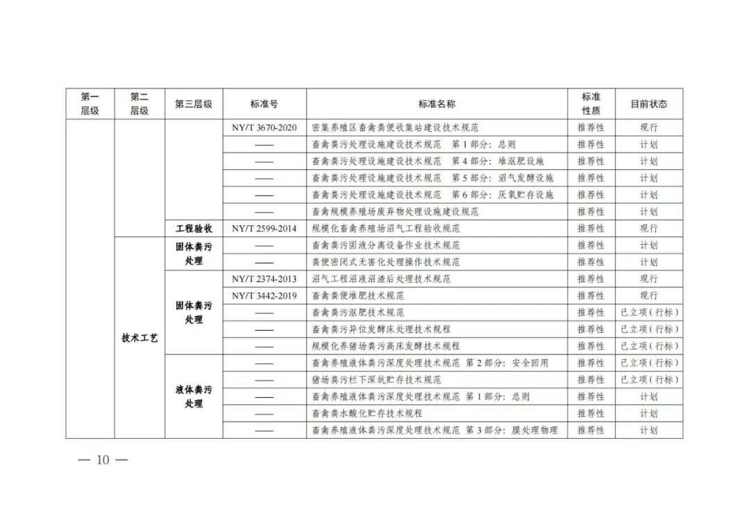
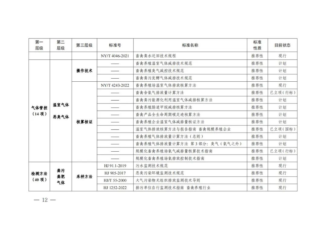
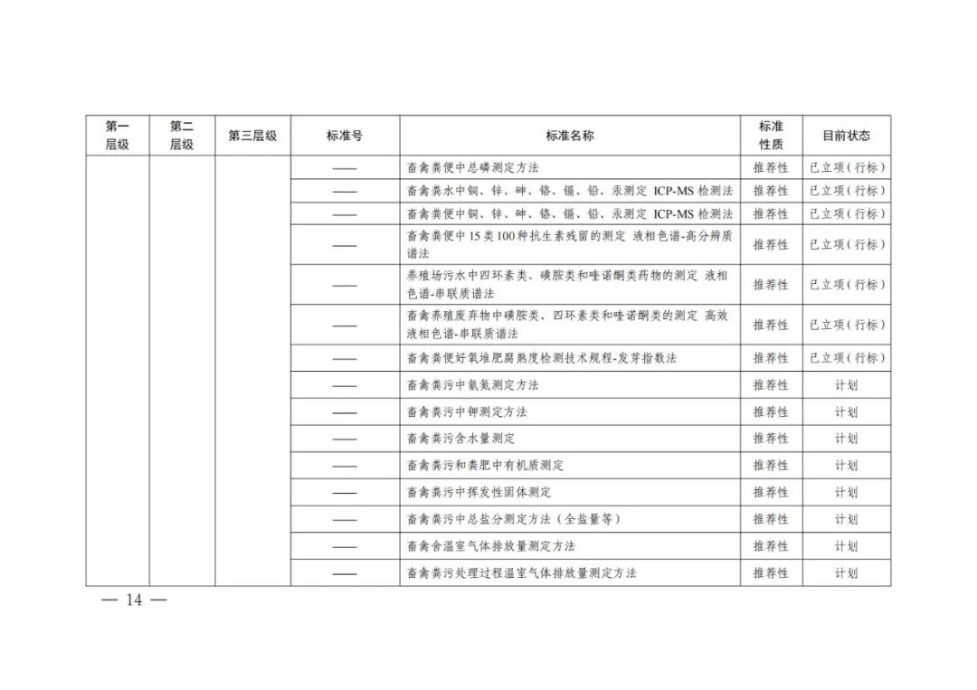
根据畜禽粪污资源化利用的现实需求,构建逻辑清晰、层级合理、内容科学的标准体系框架。体系框架分为三个层级,第一层级包括综合通用、无害化处理、粪肥利用、气体管控、检测方法5个子体系。第二层级在第一层级的基础上,包括3个综合通用要素、4个无害化处理要素、3个粪肥利用要素、2个气体管控要素、3个检测方法要素。第三层级在第二层级的基础上进一步细化分类。(见附件1)
(二)系统推进标准制修订
整体规划畜禽粪污资源化利用标准体系中各项标准的协调配套,实现主要指标数值、核心技术要求的一致性,增强标准的实用性和可操作性。加快组织制定通用性强、实践急需的国家标准和行业标准,重点补齐温室气体减排和臭气管控等标准制修订短板。各地立足区域资源环境特点,因地制宜制定畜禽粪污资源化利用地方标准,进一步细化实化技术要求和管控指标。鼓励社会团体、企业等根据市场需求,制定关键技术指标高于优于国家推荐性标准的团体标准、企业标准。(三)加强重点领域标准研制根据畜禽粪污资源化利用标准体系框架,完善现行标准体系(见附件2),主要制修订标准如下:1.综合通用标准。制定畜禽粪污资源化利用通则,抓紧编制畜禽粪污综合利用率核算方法,开展畜禽养殖温室气体管理术语、畜禽粪便产生量和特性标准编制。2.无害化处理标准。加快制修订畜禽粪污处理设施装备规范系列标准,推进畜禽固体粪污和液体粪污处理的操作技术标准制定,开展畜禽粪污处理过程中安全生产相关标准的制定。3.粪肥利用标准。抓紧编制畜禽粪污还田有害物质限量标准,研究制定畜禽粪肥安全评价方法,研究完善畜禽粪肥还田承载力测算相关标准,完善畜禽粪肥还田利用设施装备相关标准,加快推进固体粪肥、液体粪肥还田的操作技术标准制修订,分畜种、作物和地力开展粪污资源化利用标准研制。4.气体管控标准。加快推进畜禽养殖温室气体减排和氨等臭气管控技术规范制定,抓紧编制畜禽粪污能源化利用、畜产品碳足迹核算和报告指南等方面的核算审核标准。5.检测方法标准。加快推进畜禽粪污(肥)主要成分及畜禽养殖温室气体排放测定方法系列标准制定。(四)强化标准实施推广各有关部门积极推动标准实施应用,指导生产经营主体提高守法意识和标准意识,在生产活动中将标准作为畜禽粪污处理和粪肥还田利用的基本依据,严格执行强制性标准,确保畜禽粪肥还田的安全性和科学性。推动在行业信息发布平台中增设畜禽粪污资源化利用相关标准发布模块,依托各级畜牧业技术推广体系积极开展畜禽粪污资源化利用标准宣贯,将标准体系纳入相关培训内容,推介一批标准化典型案例,打造畜禽粪污标准化处理利用标杆,加强示范引领,不断提高标准应用能力。三、保障措施(一)完善工作机制。各级市场监管、农业农村、生态环境部门要按照职责分工,密切配合,合力推进畜禽粪污资源化利用标准制修订。国家标准委、农业农村部、生态环境部要加强整体谋划和工作指导,衔接标准制修订计划。各级市场监管、农业农村、生态环境部门要结合已有国家标准和行业标准实施情况,积极推进地方标准制修订,切实做好标准衔接。全国畜牧业标准化技术委员会等相关标准化技术委员会要按职责制定工作方案,发挥农业农村部畜禽养殖废弃物资源化利用技术指导委员会技术支撑作用,充分吸纳生态环境等相关部门专家参与,协同推进标准研究与制修订。(二)加强工作保障。各相关部门要加大经费保障力度,优先将畜禽粪污资源化利用标准纳入年度标准制修订计划,加快标准制修订进度;要充分发挥畜禽粪污资源化利用整县推进、典型流域农业面源污染综合治理、绿色种养循环农业试点、京津冀畜禽养殖业大气氨排放控制试点等项目的示范引领作用,引导各类生产经营主体积极主动按标准改造提升畜禽粪污处理和利用设施装备,按标准有效处理畜禽粪污,科学利用畜禽粪肥。各级畜牧和农业技术推广机构要加强跟踪研究,及时反馈标准实施过程中出现的新情况新问题,提出有针对性的意见建议。(三)强化技术支撑。鼓励各级农业农村部门开展畜禽粪污处理和畜禽粪肥施用效果监测评价,逐步积累第一手数据,探索构建基础数据库,对标准重要参数和指标等进行验证,提高标准的科学性、合理性和适用性。鼓励开展畜禽粪污资源化利用全链条监测和畜禽粪肥施用定位监测,研究确定不同畜种、不同区域、不同工艺的处理时间,研究确定不同气候、不同土壤、不同作物的畜禽粪肥施用量,为畜禽粪污资源化利用提供有力支撑。加快制定相关成套设施装备建设规范、畜禽养殖臭气管控技术规范,加大农机购置与应用补贴政策支持力度,引导科研院所、社会团体、企业等集成组装关键技术、工艺和设施装备。探索建立标准评价制度,定期开展重点标准实施效果评价,持续提升畜禽粪污资源化利用标准质量。附件:1.畜禽粪污资源化利用标准体系框架2.畜禽粪污资源化利用现行标准体系
国家标准委
农业农村部生态环境部
2023年8月4日

















