首页
产品与服务
碳汇项目开发
碳汇项目开发
CCER方法学开发
企业碳管家服务
企业碳管家/问碳SaaS
碳管理赋能
企业碳核算
产品碳足迹
碳托管服务
区域双碳咨询
政府/园区双碳平台建设
温室气体清单业务
生态价值评估(GEP)
林业碳汇潜力评估
碳中和服务
园区碳中和
企业碳中和
产品碳中和
建筑物碳中和
活动会议碳中和
碳中和主题公园
碳足迹计算器
碳足迹计算器
碳中和计算罗盘
碳汇计量评估师培训
证书培训
专项培训
新闻资讯
公司要闻
行业新闻
双碳政策
碳市场
碳知识
联系我们
云服务
碳汇地图
问碳
碳足迹计算器
news
新闻资讯
News Information
首页
新闻资讯
方法学
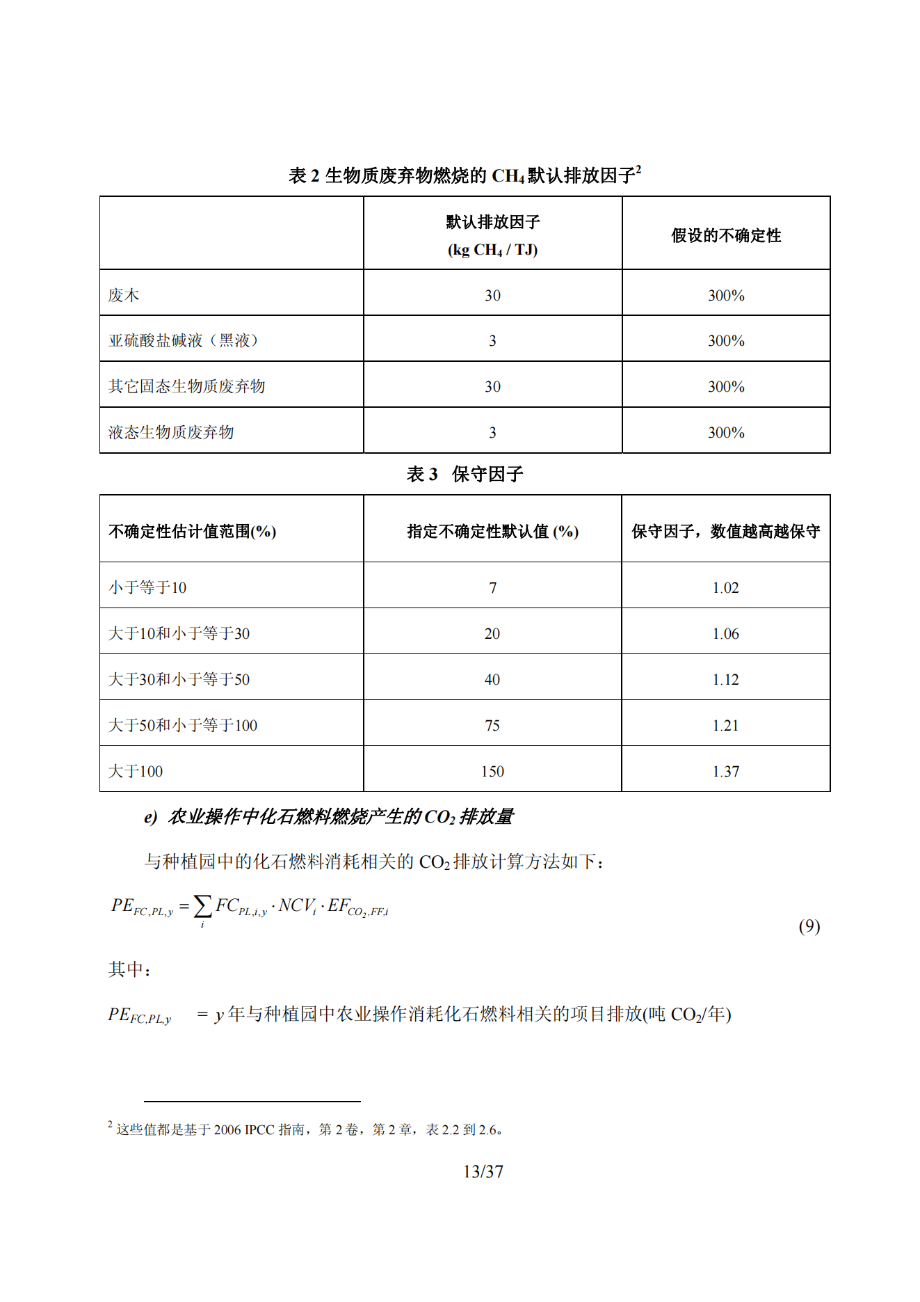
CM-076-V01 应用来自新建的专门种植园的生物质进行并网发电
文章来源:凯来美
浏览量:2135
返回列表
上一条:
CM-059-V01 原铝冶炼中通过降低阳极效应减少 PFC 排放
下一条:
CM-095-V01 以家庭或机构为对象的生物质炉具和或加热器的发放
推荐阅读
2023.10.24
温室气体自愿减排项目方法学 并网光热发电 (CCER—01—001—V01)
2023.10.24
温室气体自愿减排项目方法学 并网海上风力发电 (CCER—01—002—V01)
2023.10.24
温室气体自愿减排项目方法学 红树林营造 (CCER—14—002—V01)
2023.10.24
温室气体自愿减排项目方法学 造林碳汇 (CCER—14—001—V01)
公众号
扫码关注公众号
微信联系
添加企业微信
为您提供1对1的系统解答
咨询电话
13439785403
首页
产品与服务
碳汇项目开发
碳汇项目开发
CCER方法学开发
企业碳管家服务
企业碳管家/问碳SaaS
碳管理赋能
企业碳核算
产品碳足迹
碳托管服务
区域双碳咨询
政府/园区双碳平台建设
温室气体清单业务
生态价值评估(GEP)
林业碳汇潜力评估
碳中和服务
园区碳中和
企业碳中和
产品碳中和
建筑物碳中和
活动会议碳中和
碳中和主题公园
碳足迹计算器
碳足迹计算器
碳中和计算罗盘
碳汇计量评估师培训
证书培训
专项培训
新闻资讯
公司要闻
行业新闻
双碳政策
碳市场
碳知识
联系我们
云服务
问碳
碳中和会议
OA系统